Back to parts catalog

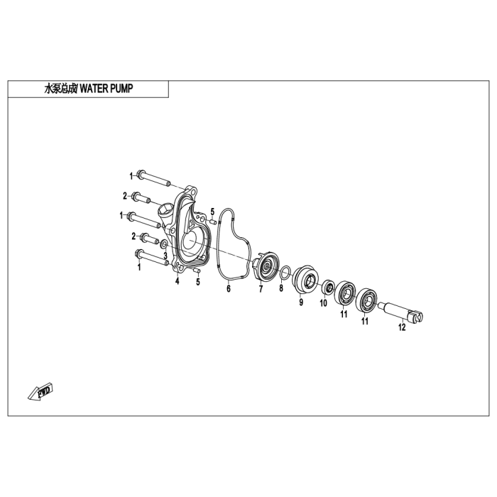
WATER PUMP

Grouped product items
Product Name Qty
1 BOLT, M6X1.0X45 0180-013208-0010 Sold in quantities of 6
$1.54
+
2 BOLT M6x20 0JWV-011107-3000 Sold in quantities of 6
$1.54
+
3 WASHER 6 0010-060009 Sold in quantities of 6
$2.99
+
4 WATER PUMP COVER ASSY 0DM0-080100-0HB01
$30.83
Inventory coming soon
5 PIN, DOWEL P4X7.8 30406-00401 Sold in quantities of 3
$2.99
+
6 SEAL RING, WATER PUMP COVER 0DM0-080003
$6.06
+
7 IMPELLER, WATER PUMP 0DM0-080002
$28.26
Inventory coming soon
8 O-RING 13X2 01A0-013005 Sold in quantities of 2
$1.54
+
9 WATER SEAL ASSY 0JWA-081000
$22.71
+
10 OIL SEAL 12X20X5 0010-080009
$2.99
+
11 ROLLER BEARING 30400-01207
$15.11
+
12 SHAFT, WATER PUMP 0DM0-080001-00001
$38.54
+

Come visit us!

Use our locator to find the dealer nearest you.