Back to parts catalog

POWERTRAIN SYSTEM

Grouped product items
Product Name Qty
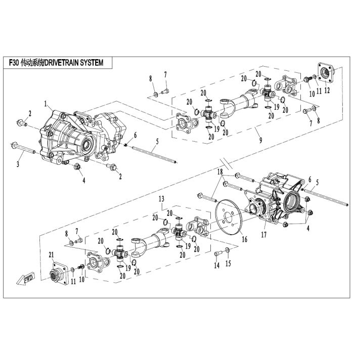
1 FRONT DIFFERENTIAL WITH GEAR MOTOR SUMITOMO Q800-310000-00001
$955.48
+
2 BOLT, M10X1.25X25 30006-102025810 Sold in quantities of 6
$2.99
+
3 BOLT, M10X1.25X90 30006-102090810 Sold in quantities of 6
$4.52
+
4 LOCK NUT M10X1.25 30204-102810 Sold in quantities of 6
$1.54
+
5 BREATHER HOSE,F&R AXLE 9010-310001
$14.68
Inventory coming soon
6 CIRCLIP 10 A8 30601-108010 Sold in quantities of 6
$1.54
+
7 BOLT, M8X1.0X22 9010-290001 Sold in quantities of 6
$1.54
+
8 PLAIN WASHER 8 30306-080112 Sold in quantities of 6
$1.54
+
9 FRONT DRIVE SHAFT 7020-290100-00001
$251.05
+
11 WASHER 7020-290002
$4.52
+
12 COUPLER, OUTPUT SHAFT 7020-290001
$79.13
+
13 REAR DRIVE SHAFT 7020-300200-00001
$255.45
+
14 INNER HEX M10X1.25X30 9010-300001 Sold in quantities of 6
$4.52
+
15 WASHER 10 9010-300002 Sold in quantities of 6
$1.54
Inventory coming soon
16 REAR BRAKE DISC 7020-080002
$58.05
+
17 REAR GEAR CASE ASSY Q520-330000-00001
$1,188.09
+
18 BOLT, M10X1.25X110 30006-102110110 Sold in quantities of 6
$4.52
+
19 UNIVERSAL JOINT F25X64 7020-290130-10000
$43.80
+
20 CIRCLIP D25 30800-02505 Sold in quantities of 6
$1.54
+
21 COUPLER, COUNTER 7020-300010
$90.44
+

Come visit us!

Use our locator to find the dealer nearest you.