Back to parts catalog

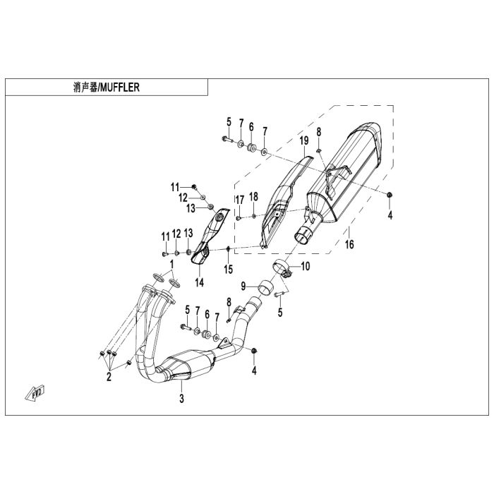
MUFFLER

Grouped product items
Product Name Qty
1 GASKET, EXHAUST PORT 6090-020010
$4.52
+
2 LOCK NUT 6L30-020005
$18.10
+
3 EXHAUST PIPE ASSY 6AQV-021100-5200
$674.07
Inventory coming soon
4 NUT M8 30204-080810 Sold in quantities of 6
$1.54
+
5 BOLT, M8X1.25X35 30006-080035810 Sold in quantities of 6
$1.54
+
6 DAMPER, MUFFLER A000-020004
$11.01
+
7 BUSHING A000-020005
$2.99
+
8 GUARD RUBBER SLEEVE 6GU#-021005-6000
$4.52
+
9 SEAL SLEEVE, GRAPHITE 6AQV-021400-1000
$25.69
+
10 CLAMP KIT 6AQV-021500-1000
$15.11
Inventory coming soon
11 INNER HEX SCREW M6x20 6WWV-046902-5000 Sold in quantities of 6
$1.54
+
12 BUSHING 6AQV-021002-1000
$2.99
Inventory coming soon
13 RUBBER BUSHING, GUARD 6AQV-021003-1000
$7.34
+
14 MUFFLER GUARD 6AQV-021001-4000
$37.83
Inventory coming soon
15 M6 NUT CLIP 6AQV-021005-4000
$1.54
+
16 MUFFLER BODY ASSY 6AQV-021300-4003
$421.92
Inventory coming soon
17 INNER HEX SCREW M6x12 6WWV-046701-5000 Sold in quantities of 2
$1.54
+
18 WIRE WASHER 6AQV-021301-4000
$6.05
Inventory coming soon
19 BODY GUARD 6AQV-021240-4002
$137.71
Inventory coming soon

Come visit us!

Use our locator to find the dealer nearest you.