Retour au catalogue des pièces

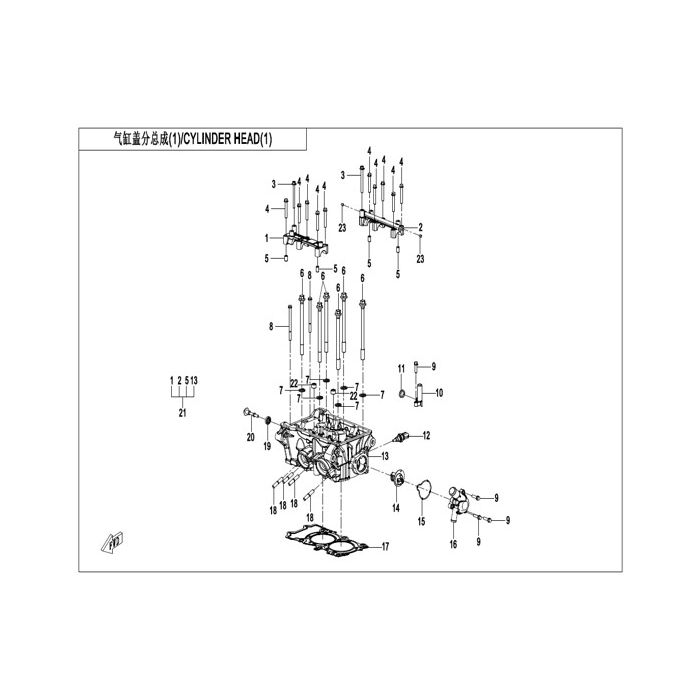
TÊTE DE CYLINDRE (1)

Articles du produit groupé
Nom du produit Qté
3 BOLT M6x65 0SQV-022105-1000 Se vend en quantité de 2
1,54 $
+
4 HEX FLANGE BOLT 0SQV-022106-1001
2,99 $
Inventaire à venir
5 DOWEL PIN 0DM0-022201-10000
1,54 $
+
6 BOLT M10x150, CYLINDER HEAD 0SQV-022008-1000 Se vend en quantité de 2
23,12 $
+
7 WASHER 10.5×19×2.3 0700-022016
1,54 $
+
8 BOLT M6x90 0SQV-022011-1000 Se vend en quantité de 2
2,99 $
Inventaire à venir
9 BOLT M6x20 0010-023010-0010 Se vend en quantité de 6
1,54 $
+
10 ADAPTER JOINT 0SQV-022200-1000
15,42 $
+
11 OIL SEAL, SURFACE 1F30-024016
18,10 $
+
12 WATER TEMPERATURE SENSOR 018B-022810
31,86 $
+
14 THERMOSTAT 0MQ0-022500
33,91 $
+
15 SEAL RING, THERMOSTAT CAP 0SQV-022002-1000
7,60 $
+
16 THERMOSTAT CAP MAUD SPIRIT BLACK 0SQV-022001-1000-0BP00
44,19 $
+
17 GASKET, CYLINDER HEAD 0SQV-022300-1000
50,36 $
Inventaire à venir
18 STUD M8X1.25X42 0180-022003-00001
2,99 $
+
19 SEAL RING, CYLINDER HEAD COVER 0700-021200 Se vend en quantité de 4
10,59 $
+
20 BOLT, CYLINDER HEAD 0DM0-022008-00001
6,06 $
+
21 CYLINDER HEAD ASSY MAUS SPIRIT BLACK 0SQV-022100-1006-0BP00
524,12 $
Inventaire à venir
22 PLUG, MAIN OIL RAIL 0700-012105-00001
1,54 $
+
23 PLUG 6 0700-066005 Se vend en quantité de 6
7,34 $
Inventaire à venir
Passez nous voir !

Utilisez notre outil de localisation pour trouver le concessionnaire le plus près de chez vous.