Retour au catalogue des pièces

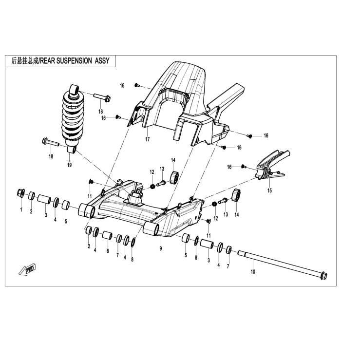
SUSPENSION ARRIÈRE

Articles du produit groupé
Nom du produit Qté
1 NUT M14x1.5 30204-143810 Se vend en quantité de 6
2,99 $
+
2 CAP, REAR FORK LINER 2 6KMV-060005-3000
10,59 $
+
3 REAR FORK INNER BUSHING 6KMV-060003-3000
12,13 $
+
4 OIL SEAL 6WWV-060030-5000-10
4,52 $
+
5 NEEDLE BEARING 30403-02280
13,57 $
+
6 CHAIN GUARD BUSHING 6KMV-060002-3000
7,60 $
+
7 CAP, REAR FORK LINER 6KMV-060007-2000
7,60 $
+
8 WASHER, REAR SWING ARM 6WWV-060004-5000 Se vend en quantité de 2
4,52 $
Inventaire à venir
9 REAR FORK 6KMV-060300-3000
314,02 $
Inventaire à venir
10 REAR FORK SHAFT 6KMV-060001-3000
28,55 $
Inventaire à venir
11 RUBBER PLUG, CLUTCH LEVER 6KM#-100002-8000
1,54 $
+
12 NUT M8 30200-080810 Se vend en quantité de 6
1,54 $
+
13 BOLT M8x60 30004-080060810 Se vend en quantité de 6
2,99 $
+
14 ADJUSTING BLOCK 6KMV-060002-C000-0BY00
24,16 $
Inventaire à venir
15 CHAIN GUARD 6KMV-060004-3001
33,91 $
+
16 STEPPED SCREW M5 6WWV-046502-5000 Se vend en quantité de 6
1,54 $
+
17 SPROCKET GUARD 6KMV-060007-3000
92,49 $
+
18 BOLT, M10X1.25X45 30006-102045810 Se vend en quantité de 6
4,52 $
+
19 REAR SHOCK ABSORBER 6KMV-060100-3000-M1
257,49 $
Inventaire à venir

Passez nous voir !

Utilisez notre outil de localisation pour trouver le concessionnaire le plus près de chez vous.