Retour au catalogue des pièces

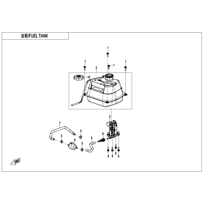
RÉSERVOIR D'ESSENCE

Articles du produit groupé
Nom du produit Qté
1 BOLT M6x20 30006-060020870 Se vend en quantité de 6
1,54 $
+
2 FUEL TANK ASSY 9RHV-120000-1200
144,61 $
Inventaire à venir
3 HIGH PRESSURE PUMP 0UHV-071000-2000
204,07 $
Inventaire à venir
4 FUEL PIPE I 9RHV-120001-3000
35,97 $
Inventaire à venir
5 CLAMP 15.3 9RHV-120003-3000 Se vend en quantité de 2
2,99 $
Inventaire à venir
6 FUEL FILTER ASSY 9RHV-120500-3000-M1
24,18 $
Inventaire à venir
7 FUEL PIPE II 9RHV-120002-3000
43,48 $
Inventaire à venir
8 BOLT M5x20 30006-050020810 Se vend en quantité de 6
1,54 $
+
9 QUICK JOINT 6KJ0-120330-10000
41,11 $
+
10 CAP, FUEL TANK 9RHV-120000-3000-20
27,24 $
+

Passez nous voir !

Utilisez notre outil de localisation pour trouver le concessionnaire le plus près de chez vous.