Retour au catalogue des pièces

PIÈCES DE MONTAGE DU MOTEUR

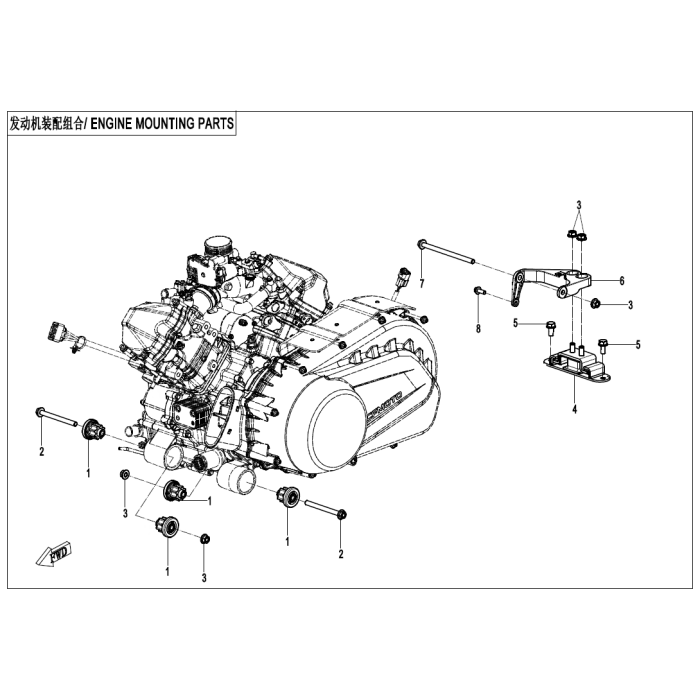
Articles du produit groupé
Nom du produit Qté
1 RH DAMPING SLEEVE, ENGINE 5BWV-000120-5000
18,10 $
+
2 BOLT, M10X1.25X110 30006-102110110 Se vend en quantité de 6
4,52 $
+
3 LOCK NUT M10X1.25 30204-102810 Se vend en quantité de 6
1,54 $
+
4 ENGINE FRONT SUSPENSION ASSY 5BWV-000200-5001
128,46 $
Inventaire à venir
5 BOLT, M10X1.25X20 (BLACK) 30006-102020810 Se vend en quantité de 6
4,52 $
+
6 ENGINE REAR BRACKET 9AWV-450621-8000
122,59 $
Inventaire à venir
7 MOUNTING SHAFT, REAR WHEEL SHAFT SUPPORT 9060-060704
9,05 $
+
8 BOLT, M8X1.25X25 30006-080025810 Se vend en quantité de 6
1,54 $
+

Passez nous voir !

Utilisez notre outil de localisation pour trouver le concessionnaire le plus près de chez vous.