The store will not work correctly when cookies are disabled.
Trouvez les pièces correspondant à votre véhicule
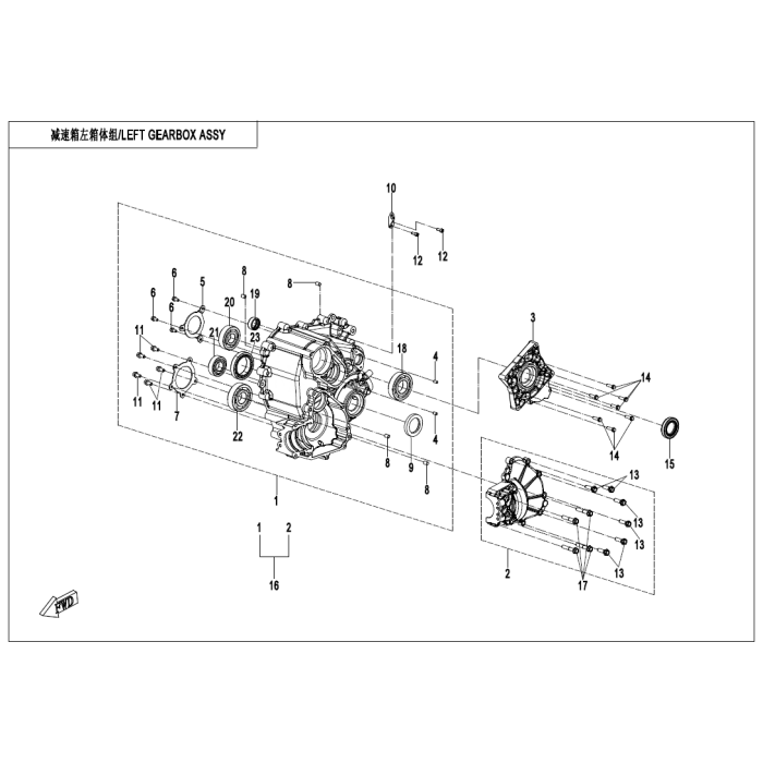
BOITIÉ D'ENGRENAGE GAUCHE ASSEMBLÉ (VIN APRÈS 2026/01/15)
Passez nous voir !
Utilisez notre outil de localisation pour trouver le concessionnaire le plus près de chez vous.