Retour au catalogue des pièces

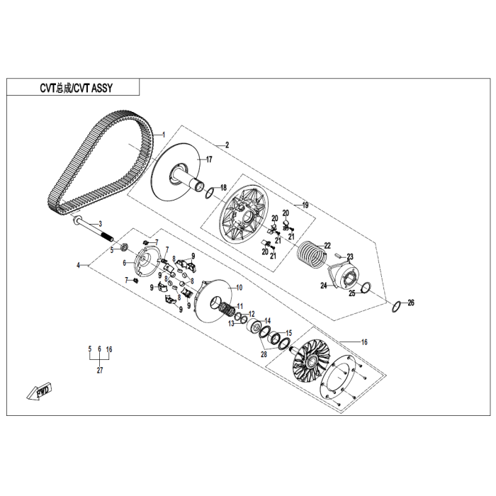
ASSEMBLAGE CVT

Articles du produit groupé
Nom du produit Qté
1 CVT BELT 0JWA-055000-10000
389,53 $
+
2 DRIVEN PULLEY ASSY 0JYA-052000-10000
514,01 $
+
3 BOLT, DRIVE PULLEY 0GSV-050001-4000
28,26 $
+
4 DRIVE PULLEY ASSY 0JYA-051000-30001
844,15 $
+
5 NUT, DRIVE PULLEY (CVTECH) 0JYA-051013-10001
39,94 $
+
6 THRUST COLLAR (CVTECH) 0JYA-051006-10000
550,83 $
+
7 ENSEMBLE DE REMPLACEMENT DE PATINS 0JYA-051004-100 0982-7055
48,73 $
Inventaire à venir
8 WEIGHT ROLLER 0JYA-051001 Se vend en quantité de 6
65,77 $
+
9 NYLON PROTECTOR,WEIGHT (CVTECH) 0GR0-051005 Se vend en quantité de 6
21,49 $
+
10 MOVING PLATE ASSY, DRIVE PULLEY (CVTECH) 0JYA-051100
482,78 $
+
11 SPRING,DRIVE PULLEY (CVTECH) 0JY0-051002
77,09 $
+
12 NYLON WASHER 0GR0-051009-10000
30,43 $
+
13 STEEL WASHER (CVTECH) 0GR0-051011
29,52 $
+
14 SPRING SEAT (CVTECH) 0GR0-051001
120,70 $
+
15 BEARING ASSY, DRIVE PULLEY 0JYA-051300
220,31 $
+
16 DRIVE FIXED PULLEY ASSY 0JYA-051200-30000
765,64 $
+
17 FIXED SHEAVE, DRIVEN PULLEY 0JYA-052100-10000
708,55 $
+
18 NYLON WASHER 0JYD-052001
10,59 $
+
19 SLIDING FLANGE ASSY (CVTECH) 0GR0-0522A0
553,49 $
Inventaire à venir
20 NYLON BLOCK (CVTECH) 0GR0-052005 Se vend en quantité de 3
14,48 $
+
21 SCREW (CVTECH) 0GR0-052006
12,13 $
+
22 SPRING, DRIVEN PULLEY (CVTECH) 0GR0-052001
198,55 $
+
23 TAPER KEY (CVTECH) 0GR0-052003
12,13 $
+
24 CAM PLATE (CVTECH) 0GR0-052002
192,33 $
+
25 CIRCLIP (CVTECH) 0GR0-052004
29,52 $
+
26 ADJUSTING WASHER 0GR0-050001-00002 Se vend en quantité de 2
1,54 $
+
27 THRUST DISC SERVICE ASSY 0JYA-0512B0
999,73 $
+
28 BEARING NYLON WASHER 0JYA-051016
29,52 $
+
Passez nous voir !

Utilisez notre outil de localisation pour trouver le concessionnaire le plus près de chez vous.